Die LED Einbauleuchte SBS ist für homogene Flächen- und Orientierungsbeleuchtung konzipiert.
Sie wird gezielt in Stufen- und Verkehrsbereichen eingesetzt, in denen sichere Orientierung entscheidend ist.
SBS ist kein Einzelprodukt.
Es ist Teil eines durchgängigen Stufenprozesses

Produktvorteile
• gleichmäßiges Orientierungslicht ohne sichtbare LED-Punkte
• geeignet für Stufen, Podeste und Verkehrsflächen
• ruhiges Lichtbild auch bei niedrigen Dimmwerten
• geringe Einbautiefe bei hoher mechanischer Stabilität
• sichere Materialien für öffentliche Gebäude
Technische Beschreibung
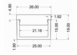
SBS besteht aus einem präzise gezogenen Aluminiumprofil.
Die Profilbreite beträgt 25 mm.
Die Profilhöhe beträgt 15 mm.
Mit Abdeckung ergibt sich eine Gesamthöhe von 19 mm.
Die Abdeckung überragt das Profil seitlich.
Die Gesamtbreite beträgt dadurch 26 mm.
Der seitliche Überstand verbessert die Lichtverteilung und sorgt für eine saubere optische Kante im Einbau.
Typische Anwendungen
• LED Orientierungsleuchte für Stufenbereiche
• Einbauleuchte in Verkehrsflächen und Foyers
• Beleuchtung von Podesten und Niveauwechseln
• Ergänzung zu LED Stufenprofilen
• Einbauleuchte für Versammlungsstätten
Abdeckung und Sicherheit
Die Abdeckung besteht aus thermoplastischem Polycarbonat auf Bisphenol-A-Basis.
Sie wird maßhaltig nach DIN 16941 gefertigt.
Toleranzklasse 2A wird eingehalten.
Das Material erfüllt die UL94 V0 Klassifizierung.
Es ist selbstverlöschend innerhalb von maximal 10 Sekunden.
Es entstehen keine brennenden Tropfen.
Das Nachglimmen liegt unter 30 Sekunden.
Damit erfüllt SBS die Anforderungen an Einbauleuchten in sicherheitsrelevanten Bereichen.
Lichtqualität und Orientierung
SBS ist für die Bestückung mit gängigen LED-Bändern ausgelegt.
Bereits ab 96 LEDs pro Meter entsteht ein vollständig homogenes Lichtbild.
Als LED Orientierungsleuchte im Einbau unterstützt SPS sichere Bewegungsabläufe.
Auch bei sehr niedrigen Dimmstufen bleibt das Licht ruhig und gleichmäßig.
Das ist entscheidend für Stufenbereiche mit wechselnden Lichtverhältnissen.
Einbauleuchte im Stufenprozess
SBS wird dort eingesetzt, wo Stufen, Podeste oder Niveauwechsel sicher wahrnehmbar sein müssen.
Die flächige Ausleuchtung unterstützt die visuelle Orientierung vor und zwischen den Stufen.
In Kombination mit Stufenkantenprofilen entsteht ein durchgängiger Stufenprozess.
Orientierung beginnt auf der Fläche und setzt sich an der Kante fort.
SPS übernimmt dabei die vorbereitende Orientierung im Raum.
Technische Details
- monocolor
- RGB
- alle 5m
- 24VDC 5-15W /m je nach LED Band und geforderter Helligkeit
- mit Netzteil 230V AC/DC
- DMX Steuerung untergebracht im RITTAL Schrank
